股票杠杆开户平台有哪些-买什么股票最安全挣钱如何弄-【东方资本】,杠杆配资什么意思啊,股票开通创业板怎么开通,t加0股票风险大吗为什么
淘寶
|
阿里巴巴
咨詢熱線:
0531-81175018
首頁
走進我們
公司簡介
組織結構
企業文化
發展歷程
愿景規劃
領導關懷
產品展示
水果保鮮系列產品
蔬菜保鮮系列產品
1-MCP系列產品
水果催熟系列產品
煙熏劑系列產品
電子儀器
新聞聚焦
公司新聞
行業資訊
媒體聚焦
最新活動
研發中心
專家介紹
科研成果
榮譽展示
招賢納士
校園招聘
社會招聘
聯系我們
聯系方式
language
中國
English
America
Deutsch
Italiano
Türk?e
??????
????
Nederlands
Ti?ng Vi?t
???????
Fran?ais
新聞聚焦
公司新聞
行業資訊
媒體聚焦
最新活動
電話:0531—81175018
0531—81175028
Export Department :+86-531-81175029
蒜薹/蘋果:13864141878 許經理
香蕉/芒果:18615225858 張經理
外貿/出口:18615225880 王經理
傳真:0531-81175018
郵箱:
yyykj001@126.com
地址:濟南市漢峪金谷A3-5 8層
公司新聞
首頁
>
新聞聚焦
> 公司新聞
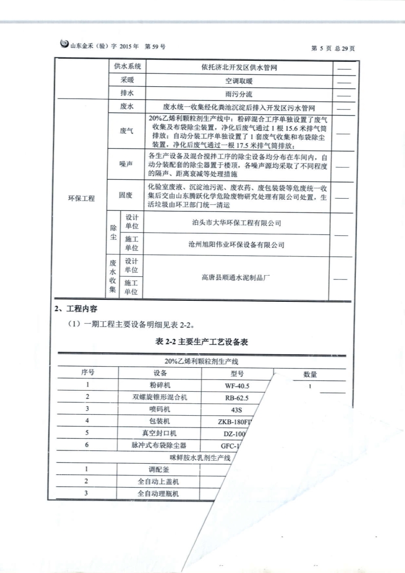
山東奧維特生物科技有限公司---復配項目環評驗收
更新時間:2022-11-23 瀏覽次數:
/ 走進我們
公司簡介
組織結構
企業文化
發展歷程
愿景規劃
領導關懷
/ 產品展示
水果保鮮系列產品
蔬菜保鮮系列產品
1-MCP系列產品
水果催熟系列產品
煙熏劑系列產品
電子儀器
/ 新聞聚焦
公司新聞
行業資訊
媒體聚焦
最新活動
/ 研發中心
專家介紹
科研成果
榮譽展示
/ 招賢納士
校園招聘
社會招聘
/ 聯系我們
聯系方式
版權所有:山東營養源食品科技有限公司 郵箱:
yyykj001@126.com
魯ICP備16024067號
地址:山東省濟南市漢峪金谷A3-5 8層 技術支持:
35互聯